欢迎来到西安亿鸿维克电子科技有限公司网站,我们竭诚为您提供服务!
13096907129
首页
关于我们
公司简介
公司资质
产品中心
高温电源
高压电源
工业电源
军品电源
电源配套类
便携程控式电源
案例展示
新闻中心
公司新闻
行业资讯
技术支持
联系我们
在线留言
您的位置:
首页
>
产品中心
>
军品电源
高温电源
高温开关稳压器
高温DC/DC
高温AC/DC
高温高压电源
高压电源
常温微功耗高压电源模块系列
常规高压电源系列
隔离高压电源系列
高温高压电源模块系列
卫星推进器
工业电源
军品电源
电源配套类
共模滤波器
高温高压电容系列
便携程控式电源
内置可调电源
便携式电源
程控电源
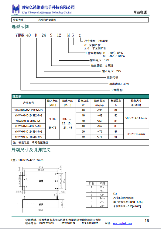
名称:高可靠 DC-DC 电源模块
类型:
机械尺寸:50.8*25.4*11.7mm
产品说明书:
基础参数
上一篇:
高可靠 DC-DC ...
下一篇:
高可靠 DC-DC ...
快速导航
首页
关于我们
产品中心
案例展示
新闻中心
技术支持
联系我们
在线留言
高温电源
高压电源
工业电源
军品电源
电源配套类
便携程控式电源
YHP16W系列 高温电源(引脚式)
YHB系列高温斩波器0.5A~5A
YHP10W系列 高温电源(引脚式)
YHP5W系列 高温电源 (引脚式)
YHAC30W系列 高温AC-DC电源
YHDP系列高精度可编程直流电源
联系我们
联系人:
张经理
服务热线:13096907129
公司地址:陕西省西安市长安区香积大街融讯智能制造港4号楼404
微信二维码